Camshaft Position Sensor A Circuit Bank 1 Or Single Sensor

P0340 Camshaft Position Sensor A Bank 1 Youtube

P0340 Camshaft Position Sensor A Bank 1 Youtube

P0340 Camshaft Position Sensor Circuit Bank 1 Sensor 1 Obd2 Code

P0340 Camshaft Position Sensor Circuit Bank 1 Sensor 1 Obd2 Code

P0344 2007 Ford Fusion Camshaft Position Sensor A Circuit Intermittent Bank 1 Or Single Sensor

P0344 2007 Ford Fusion Camshaft Position Sensor A Circuit Intermittent Bank 1 Or Single Sensor

P0340 Camshaft Position Cmp Sensor A Bank 1 Circuit Malfunction Troublecodes Net

P0340 Camshaft Position Cmp Sensor A Bank 1 Circuit Malfunction Troublecodes Net

Replacing Bank 1 Camshaft Position Sensor On 350z P0340 Youtube

Replacing Bank 1 Camshaft Position Sensor On 350z P0340 Youtube

Dtc P0340 Camshaft Position Sensor A Circuit Bank 1

Dtc P0340 Camshaft Position Sensor A Circuit Bank 1

Dtc P0340 Camshaft Position Sensor A Circuit Bank 1

P0341 meaning the camshaft position sensor is an electronic device used in an engine to record the rate at which the camshaft is spinning.

Camshaft position sensor a circuit bank 1 or single sensor.

The camshaft position sensor is an electronic device used in an engine to record the rate at which the camshaft is spinning. This information is used by. When the engine is running the high and low parts of the teeth cause the gap with the sensor to change. The signal is low enough to be vague and difficult to interpret.

In this instance code p0342 infers the sensor s signal is to low or not strong enough. This information is used by the engine control module to control ignition and fuel injection the camshaft position sensor senses the retraction of camshaft intake to identify a particular cylinder. I replaced the o2 sensor the check engine light came on a week later. P0340 camshaft position sensor circuit bank 1 sensor 1 battery voltage is above approximately 11 0 volts with the engine cranking and with the engine running.

Camshaft position sensor circuit malfunction. P0340 camshaft position sensor a circuit bank 1 or single sensor 12 20 2014 10 00 pm 1 as some may know i got my boost issue fixed with a simple hose clamp and since then i ve gone into limp mode a few times. What does p0340 mean. Now it shows only the one code p0340 camshaft position sensor circuit malfunction.

P0340 meaning the camshaft position sensor is an electronic device used in an engine to record the rate at which the camshaft is spinning. This information is used by the engine control module to control ignition and fuel injection the camshaft position sensor senses the retraction of camshaft intake to identify a particular cylinder. Bank 1 is the side of the engine that contains cylinder 1. The camshaft position sensor senses the piston position.

Diagnostic trouble code p0341 stands for camshaft position sensor a circuit range performance bank 1 or single sensor it is triggered when the powertrain control module pcm detects a problem with the signal being sent by the camshaft position sensor. Learn what camshaft position sensor a circuit signal fault bank 1 or single sensor means location and how to repair. Camshaft position sensor hi all my check engine lite came on a week ago showed o2 sensor bank 1 also showed camshaft position sensor circuit malfunction. P0342 refers to the bank 1 a sensor.

Set conditions during cranking at least 2 5 seconds have elapsed with a crankshaft position sensor signal present but no camshaft position sensor signal with the engine running. The camshaft position sensor located in the internal combustion engine monitors the position and rotational speed of the camshaft. The changing gap causes the magnetic field near the sensor to change.

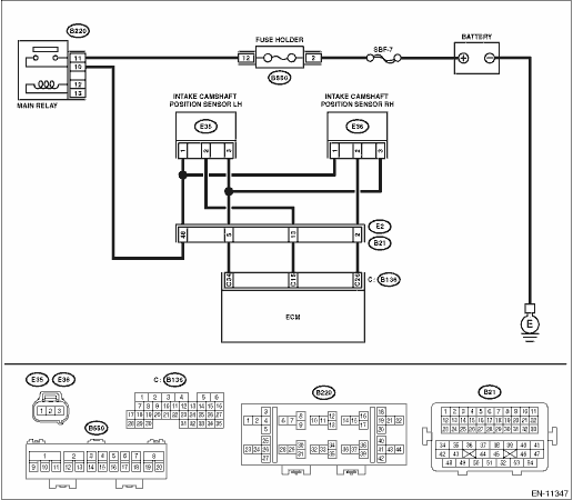
Subaru Crosstrek Service Manual Dtc P0340 Camshaft Position Sensor A Circuit Bank 1 Or Single Sensor Diagnostic Procedure With Diagnostic Trouble Code Dtc

Subaru Crosstrek Service Manual Dtc P0340 Camshaft Position Sensor A Circuit Bank 1 Or Single Sensor Diagnostic Procedure With Diagnostic Trouble Code Dtc

Bank 1 Location Camshaft Sensor Questions Answers With Pictures Fixya

Bank 1 Location Camshaft Sensor Questions Answers With Pictures Fixya

P0340 Camshaft Position Sensor A Circuit Bank 1 Or Single Sensor Keeps Coming Up On My Obd Ii For My 2004

P0340 Camshaft Position Sensor A Circuit Bank 1 Or Single Sensor Keeps Coming Up On My Obd Ii For My 2004

Dtc P0340 Camshaft Position Sensor A Circuit Bank 1 Or Single

Dtc P0340 Camshaft Position Sensor A Circuit Bank 1 Or Single

Source : pinterest.com